Spring til hovedindhold

Effektivt kølemodul til AM 1000

Airmaster lancerer nu RC 1000, som er et effektivt kølemodul til AM 1000. Med RC 1000, er det nu muligt at nedkøle for eksempel klasselokaler og kontorer effektivt.
Effektivt kølemodul til AM 1000

Der er mange gode grunde til at optimere indeklimaet på skoler og i institutioner; et godt og sundt indeklima øger indlæringen, velvære og den generelle trivsel for de børn og unge, der tilbringer langt det meste af en dag i skoler og institutioner.
I takt med et øget fokus på ovenstående og tillige lovkrav om bl.a. CO2-niveau i klasselokalet og højere lufttæthed i bygninger, stiller det store krav til mekanisk ventilation, der skal sørge for det sunde indeklima.
Der er i dag, derfor i høj grad brug for muligheden for at nedkøle temperaturen i et lokale.
Med en AM 1000 fra Airmaster kan du nu få begge dele; et sundt indeklima med vores decentrale ventilationsanlæg, kombineret med muligheden for køling af rumtemperaturen, så du også bevarer komforten på de varme dage.

Effektiv køling - uden støjgener

Effektiv køling - uden støjgener

RC 1000 er et kølemodul til AM 1000, hvor en køleflade forsynes med nedkølet væske fra ekstern forsyning.
RC 1000 har en kapacitet på op til 7kW, hvilket gør, at den i langt de fleste lokaler, hvori en AM 1000 installeres, kan opretholde en lav indendørs temperatur. Enheden kobles op på Airmaster sædvanlige styring, hvorpå man kan indstille den ønskede indblæsningstemperatur.
RC 1000 er udviklet så trykfaldet er så lavt, at AM 1000 fortsat leverer 950 m3/h ved 30 dB(A). Det betyder, at lydniveauet på ventilationsanlægget forbliver præcis det samme, som AM 1000 i forvejen har.

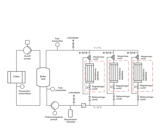
Princip tegning

Princip tegning

Systemet kan designes efter individuelt behov, hvilket betyder at det alene er størrelsen på chilleren, der afgør hvor mange anlæg der kan kobles på.
NB: Illustrationen er udelukkende et eksempel og kan ikke bruges i praksis. Eksemplet viser et system med 3 stk. AM 1000 anlæg.

Versioner RC 1000

Kontakt os, hvis du vil vide mere om decentral ventilation

Vores kompetente serviceteam står klar til at svare på dine spørgsmål og rådgive dig om alt fra dimensionering, konfiguration, placering og projektering – så du kan finde det helt rigtige anlæg til dit behov.

Du er velkommen til kontakte os via formularen eller på (+45) 9862 4822

Kontakt vores salgsteam

Anders Høj

Anders Høj

Senior Sales Manager

Department International Markets, Faroe Islands, Greenland, Iceland
Søren Gudiksen

Søren Gudiksen

Area Sales Manager

Department Midtjylland og Fyn
Martin Christiansen

Martin Christiansen

Area Sales Manager

Department Nord- og Sønderjylland
René Haahr

René Haahr

Area Sales Manager

Department Sjælland og Øerne